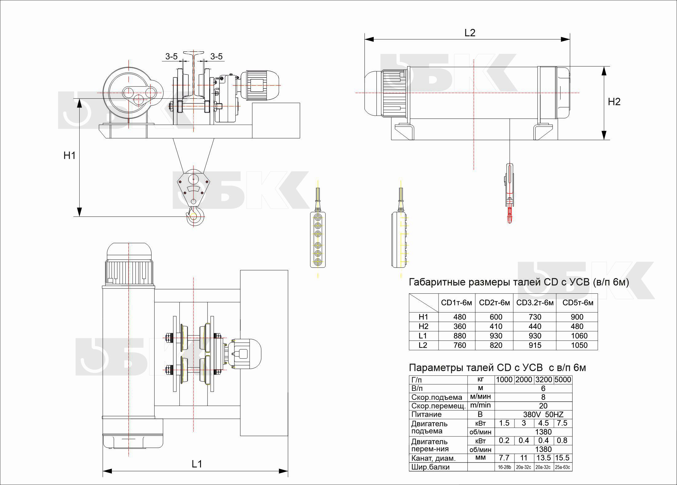
Таль электрическая канатная передвижная БКС CD DL с УСВ г/п 2,0т, в/п 6,0м
Доставка:
Самовывоз с 9:00 до 17:00
Гарантия:
12 месяцев
Основные характеристики
Серия:
CD/CD1
Грузоподъемность:
2.00 т
Высота подъема:
6.00 м
Скорость подъема :
8.00 м/мин
Скорость передвижения:
20.00 м/мин
Страна:
КНР (Китай)
Производитель:
Купить
Под заказ
Таль электрическая канатная передвижная БКС CD с уменьшенной строительной высотой. Имеет грузоподъемность 2,0 тонны, высоту подъема 6,0 метров, используется для перемещения груза ограниченном пространстве, в помещениях с небольшой высотой.









