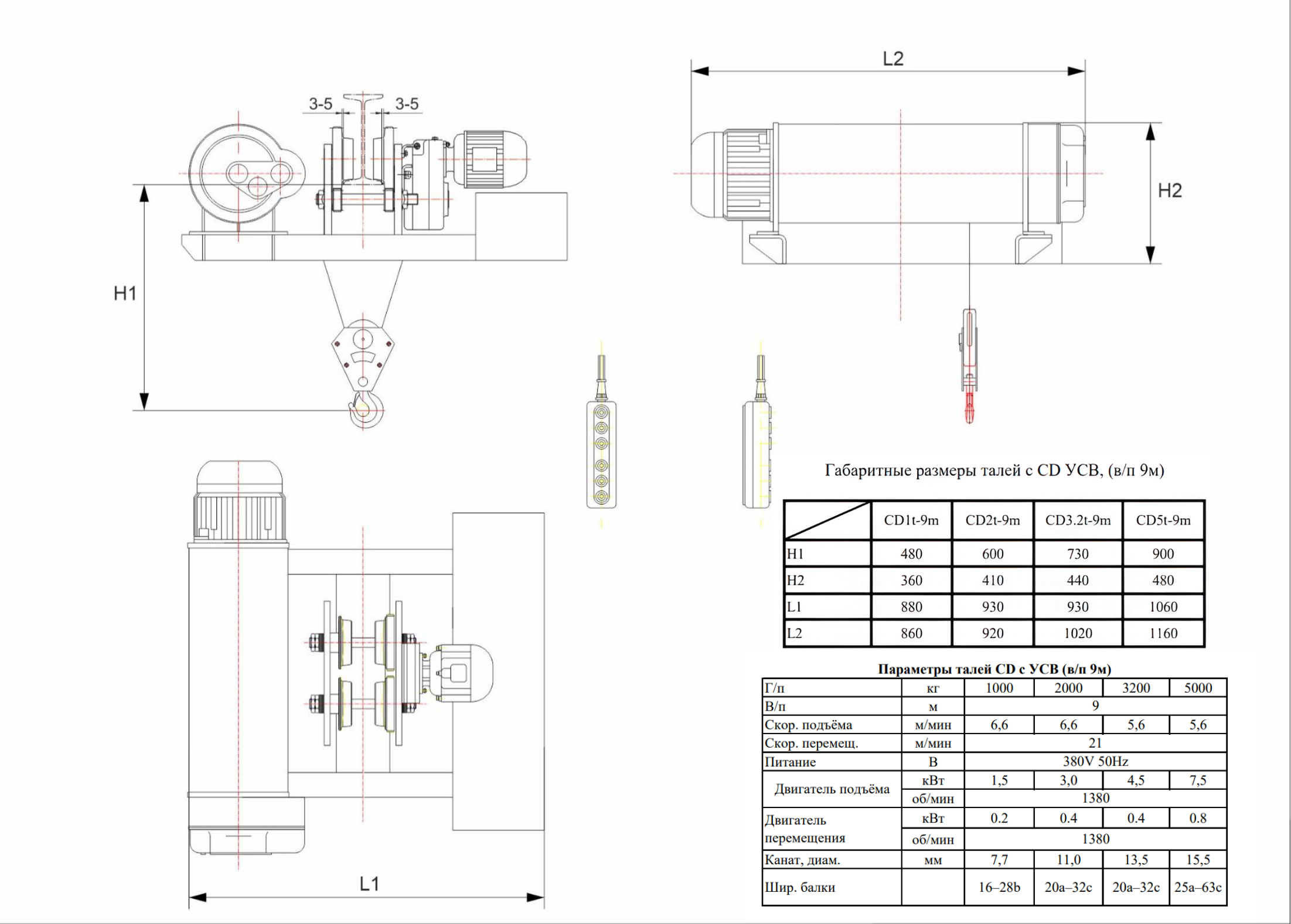
Таль электрическая канатная передвижная БКС CD DL с УСВ г/п 2,0т в/п 9,0м
Цена:
4 789.20 руб.
Наличие:
Да
Доставка:
Бесплатно по Минску в пределах МКАД
Самовывоз с 9:00 до 17:00
Гарантия:
12 месяцев
Основные характеристики
Серия:
CD/CD1
Грузоподъемность:
2.00 т
Высота подъема:
9.00 м
Скорость подъема :
6.60 м/мин
Скорость передвижения:
21.00 м/мин
Страна:
КНР (Китай)
Производитель:
Купить
В наличии на складе
Таль электрическая канатная передвижная БКС CD с уменьшенной строительной высотой. Имеет грузоподъемность 2,0 тонны, высоту подъема 9,0 метров, используется для перемещения груза ограниченном пространстве, в помещениях с небольшой высотой.









