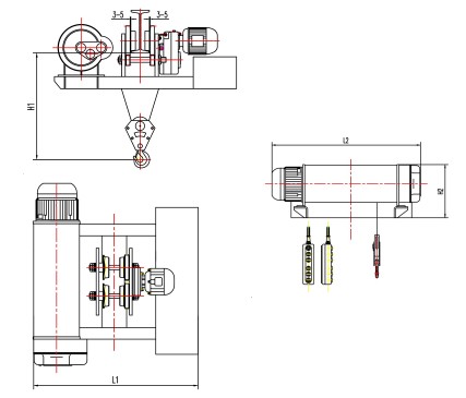
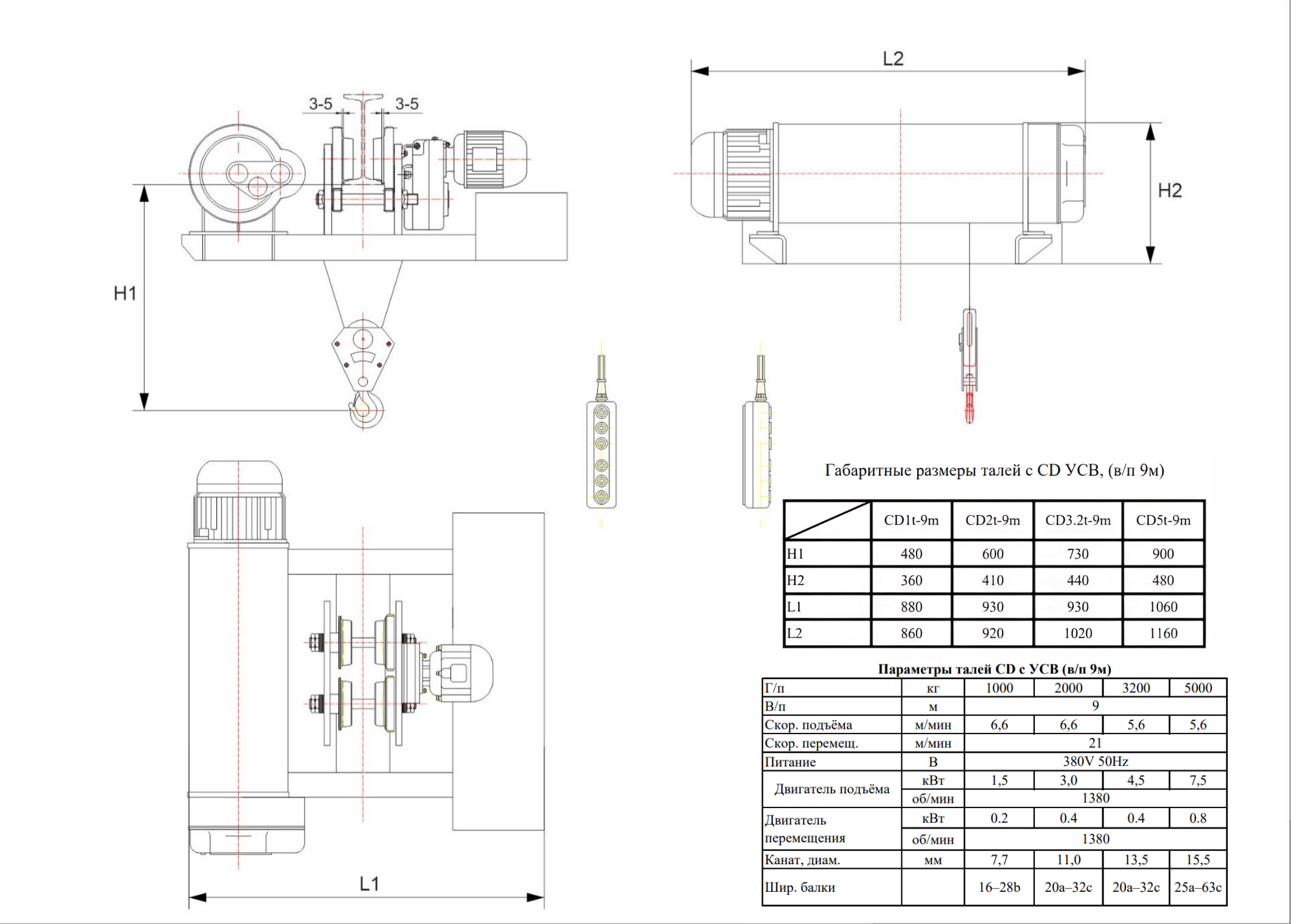
Таль электрическая канатная передвижная БКС CD DL с УСВ г/п 3,2т в/п 9,0м
6140.00 руб.
?
Вы экономите 537.25 руб.
Цена:
5 602.75 руб.
Наличие:
Да
Доставка:
Бесплатно по Минску в пределах МКАД
Самовывоз с 9:00 до 17:00
Гарантия:
12 месяцев
Основные характеристики
Серия:
CD/CD1
Грузоподъемность:
3.20 т
Высота подъема:
9.00 м
Скорость подъема :
5.60 м/мин
Скорость передвижения:
21.00 м/мин
Страна:
КНР (Китай)
Производитель:
Купить
В наличии на складе
Таль электрическая канатная передвижная БКС CD с уменьшенной строительной высотой. Имеет грузоподъемность 3,2 тонны, высоту подъема 9,0 метров, используется для перемещения груза ограниченном пространстве, в помещениях с небольшой высотой.









